
1949년 시카고대학교의 리비교수는 탄소14의 반감기가 5568년으로 계산하여 방사성탄소연대측정법을 고안하였다. 1977년 가속기를 이용한 질량분석기는 탄소14 측정의 최대 장애요소인 동일 무게를 갖는 질소14가 음이온을 형성하지 않는 가장 큰 이점을 발견되어 급격하게 발전하게 되었고, 기존방식에 비해 시료의 양도 1,000배나 적게 필요하므로 유기물에서 기원한 시료의 연대측정법으로 일반화되었다. 우리나라는 1998년 서울대 공동기기원에서 국내 최초로 3MV 가속기 질량분석기가 도입되어, 1mg(탄소량 기준)의 적은 시료량으로 방사성탄소연대측정을 할 수 있게 되었다. 2007년 우리나라에서는 2번째로 지질자원연구원에서 1MV 가속기 질량분석기가 구축되었다.
한반도 방사성탄소연대보정곡선 구축은 한국지질자원연구원에서 가속기질량분석기(AMS) 구축하면서 응용 연구분야 개발 과제로 AD1250- AD1950년까지 연륜연대분석으로 절대연도가 부여된 나이테를 이용하여 한반도 연대보정곡선을 제작하였다. 이는 국제적으로 사용하고 있는 IntCal 보정곡선은 유럽과 북미 지역의 나이테를 활용하여 구축되어 한반도의 국소적인 환경과 다소 차이가 있을 수 있다. 한국지질자원연구원에서 구축한 한반도 연대보정곡선은 IntCal과 비교분석 1645년, 1710년의 연대구간에서 IntCal에서 나타나지 않는 피크가 나타났다.
한반도의 자체 연대보정곡선이 완성된다면, 방사성탄소연대측정의 연대 정밀도가 더 높아질 것으로 기대된다.


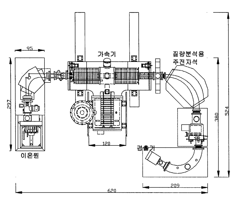
한국지질자원연구원 가속질량분석기(2014년 당시 모습)






2019, 이창희. 유적조사와 연대측정 -방사성탄소연대측정 지침-, 고고광장 제24호
2013, 한국지질자원연구원. 가속기 질량분석기 구축사업 최종보고서
2011, 이창희. 방사성탄소연대측정법의 원리와 활용(Ⅱ), 한국고고학보 81호
'연륜연대학 > 방사성탄소연대' 카테고리의 다른 글
| 방사성탄소연대 보정곡선 (0) | 2019.01.02 |
|---|---|
| 방사성탄소연대 분석프로그램, Oxcal (0) | 2018.02.07 |
| 중앙 유럽으로 부터 작성된 12,460년의 Hohenheim 참나무와 소나무 연륜연대기 (0) | 2018.02.07 |